辊道电机减速器(JB/T 5562一1991)采取电动机和减速器直联式,由电动机直接驱动圆柱齿轮减速器或行星齿轮减速器进行传动,包括YZD、YGL、YZL、YGX、YZX五种型式,机电合为一体,结构紧凑,体积小,安装方便,可靠性高,使用寿命长。主要适用于轧机(传动比i≤12.5)及连铸机(i≥25)单独传动运输辊道,其负荷特性为启动较频繁,带负荷启动,且正、反两向运转,也可用于其他负荷相似或较轻的机械传动。工作环境温度为-40~50℃,低于0℃时,启动前应预热,高于40℃时,应采取降温措施。
辊道电机减速器的型号与标记
(1)YZD型一YZG型电机(Y系列辊道专用三相异步电机)与单级圆柱齿轮减速器组成的辊道电机减速器。
(2)YGL型一YGAG型电机(Y系列辊道专用三相异步电机)与二级圆柱齿轮减速器组成的辊道电机减速器。
(3)YZL型一YZG型电机与二级圆柱齿轮减速器组成的辊道电机减速器。
(4)YGX型一YGAG型电机与行星齿轮减速器组成的辊道电机减速器。
(5)YZX型一YZG型电机与行星齿轮减速器组成的辊道电机减速器。
2. 标记

YZD、YGL、YZL、YGX、YZX辊道电机减速器实体模型

YZD型辊道减速机实体模型

YGL、YZL型辊道减速机实体模型

YGX、YZX型辊道减速机实体模型
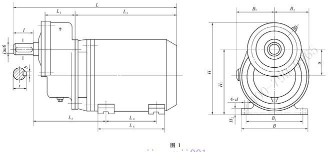
YZD型辊道电机减速器主要尺寸

型号 | a | L | B | H | L1 | L2 | L3 | L4 | L5 | B1 | B2 | B3 | H1 | H2 | D(m6) | l | b | t | d | 质量/kg |
YZD112M107 | 75 | ≤480 | 250 | 330 | 85 | 192 | 305 | 140 | 235 | 190 | 125 | 125 | 190 | 15 | 35 | 58 | 10 | 38 | 12 | 70 |
YZD132M110 | 100 | ≤633 | 275 | 355 | 115 | 270 | 401 | 178 | 260 | 216 | 140 | 145 | 236 | 17 | 45 | 82 | 14 | 48.5 | 12 | 119 |
YZD132M210 | 100 | ≤633 | 275 | 355 | 115 | 270 | 401 | 178 | 260 | 216 | 140 | 145 | 236 | 17 | 45 | 82 | 14 | 48.5 | 12 | 125 |
YGL、YZL型减速器主要尺寸

型号 | 中心距 | L ≤ | B | H | L1 | L2 | L3 | L4 | L5 | B1 | B2 | B3 | H1 | H2 | H3 | H4 | H5 | H6 | R | D (m6) | l | b | t | d | 质量m/kg | |
高速级a1 | 低速级a2 | |||||||||||||||||||||||||
YGL132M117 | 75 | 100 | 695 | 320 | 333 | 158 | 392 | 30 | 270 | 330 | 250 | 70 | 220 | 200 | 120 | 132 | 265 | 28 | 133 | 155 | 45 | 82 | 14 | 48.5 | 24 | 150 |
YGL132M217 | 75 | 100 | 695 | 320 | 333 | 158 | 392 | 30 | 270 | 330 | 250 | 70 | 220 | 200 | 120 | 132 | 265 | 28 | 133 | 155 | 45 | 82 | 14 | 48.5 | 24 | 160 |
YGL160L127 | 118 | 150 | 975 | 482 | 460 | 217 | 568 | 33 | 350 | 410 | 380 | 90 | 250 | 300 | 145 | 160 | 315 | 32 | 160 | 218 | 65 | 105 | 18 | 69 | 28 | 350 |
YGL180L127 | 118 | 150 | 955 | 482 | 485 | 217 | 548 | 33 | 350 | 410 | 380 | 90 | 290 | 300 | 145 | 185 | 370 | 32 | 160 | 218 | 65 | 105 | 18 | 69 | 28 | 378 |
YZL132M117 | 75 | 100 | 734 | 320 | 333 | 158 | 431 | 30 | 270 | 330 | 250 | 70 | — | 200 | 120 | 143 | 285 | 28 | 133 | 155 | 45 | </ | ||||

江苏重泰减速机有限公司
采购 泰兴减速机 请选择重泰减速机有限公司(原 泰兴减速机总厂)
全国咨询电话: 13861821233 传真:0510-80212333/85516654/85508340
座机:0510-80212111/80212555/80210978/85519221/85518416/85511836
邮箱:1051532995@qq.com 地址:无锡市梁溪区蔚蓝路97号